长虹液晶彩电高压板维修(LD7552电源模块详解)
2020-10-19 09:08:21    128    0    0
maker

长虹715T1811-2电源+高压二合一板维修
    冠捷715T1811-2电源+高压二合一板,应用于长虹AOC机芯LT2059等液晶彩电中。其中电源板采用LD7552和MOSFET组合方案,为主电路板提供12V和+5V电压;高压板采用OZ1060和四只复合MOSFET组合方案,为6只背光灯提供交流高频高压。

 

    冠捷715TI811-2电源+高压二合一板在开关电源一次侧和二次侧均设有保护电路,具有过电流保护、过电压保护功能,保护电路启动时,迫使开关电源停止工作。高压板具有过电流保护、过电压保护功能,保护电路启动时,迫使高压板停止工作。

    一、电源电路工作原理
    (一)开关电源电路

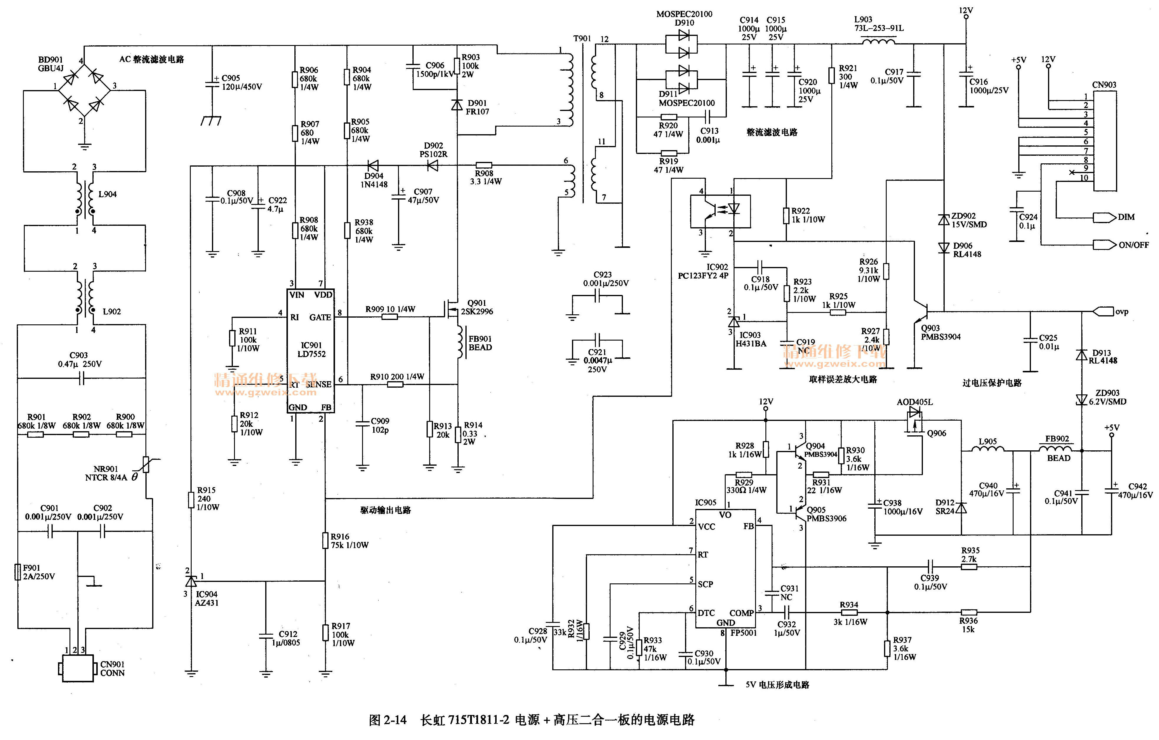
    长虹715TI811-2电源+高压二合一板实物图解如图2-13所示;电源电路如图2-14所示,由驱动控制电路IC901 (LD7552), MOSFET开关管Q901 (2SK2996 )、开关变压器T901、取样误差放大电路IC903 ( H431 BA)、光耦合器IC902 (PC123FY24P)等元器件组成主开关电源,输出12V电压,再经+5V电压形成电路产生+5V电压,通过连接器CN903向主电路板和背光灯电路提供12V和+5V电压。
长虹715T1811一电源+高压二合一板实物图解

   1. LD7552简介
    LD7552是开关电源专用驱动电路,内部设有启动电路、振荡电路、误差放大电路、驱动输出电路,并具有过电压保护、过电流保护功能。LD7552引脚功能见表2-5。
LD7552引脚功能

    2.启动工作过程
    AC 220V市电经延迟熔丝管F901和保护电阻NR901后,由C901、C902、L902、C903、组成的交流抗干扰电路,滤除市电中的高频干扰信号,经BD901桥式整流,C905滤波电容滤波,产生300V左右的直流电压,一路经开关变压器T901一次绕组的1-3端加到开关管Q901的漏极;另一路经R906、R907、R908降压后,向IC901的3脚提供启动电压,内部振荡电路启动工作,经比较、放大、处理后从IC901的8脚输出激励脉冲,通过R909送到开关管Q901的栅极,Q901工作在开关状态,在开关变压器1901的各个绕组产生感应电压。

    其中变压器1901二次绕组的5-6端产生的感应电压经R908限流、D902整流、C907滤波,再经D904, C922, C908滤波,分为两路:一路送到IC901的7脚,作为二次供电电压,替换下启动电路,为IC901提供稳定的工作电压;另一路经R915降压、IC904稳压后为稳压控制电路提供电源。

    开关电源起振工作后,在开关变压器T901的各个绕组产生感应电压,T901二次绕组的7/8~11/12端产生感应电压,经D911、D910整流、由C914、C915、C920及电感L903、C917、C916组成的二形滤波器滤波后,输出12V直流电压,通过连接器的1, 2脚向主板提供12V供电;12V电压经+5V电压形成电路,产生+5V电压,通过连接器的3、4脚为主板提供+5V电压。

    3. +5V电压形成电路
    +5V电压形成电路如图2-14所示(见图右下侧),由IC905 ( FP5001)及外围电路Q904, Q905, Q906组成。将主开关电源输出端12V电压转换为+5V电压,供给主电路板。
FP5001是专用电压转换集成电路,其引脚功能见表2-6。
 FP5001引脚功能

    主开关电源输出的12V电压,加到IC905的2脚,为其提供工作供电;低压同步稳压器IC905启动工作,从1脚输出驱动电压,经Q904, Q905放大后,激励Q906工作于开关状态,输出脉冲电压,再经D912整流,由C940、FB902、C942、C941组成的π形滤波后,产生+5V电压。

    +5V电压经过R936、R937、R934形成取样反馈电压加到IC905的4脚,经内部电路处理控制后,保持输出电压的稳定。

    4.稳压控制过程
    稳压控制电路由光耦合器IC902、取样误差放大电路IC903及IC901的2脚内部等电路组成,对开关电源输出的12V电压进行取样。

    12V电压经R926与R927分压后,经R925加到取样误差放大电路IC903的1脚,.当开关电源输出电压升高时,IC903的1脚电压升高,电流增大,光耦合器IC902的内部发光二极管发光增强,光敏晶体管的内阻降低,使IC901的2脚电压降低,经2脚内部比较放大和控制后,使IC901的8脚输出的开关脉冲宽度变窄,开关管Q901导通时间缩短,开关电源输出的电压下降到正常值。当开关电源输出电压下降时,稳压控制电路的动作与上述过程相反,使开关电源输出的电压上升到正常值,保持输出电压稳定不变。

    (二)保护电路
    1.尖峰脉冲吸收保护

    开关稳压电源工作在高频、高压和大电流条件下,需加入各种保护电路。一方面保护开关电源本身不致因过电压、过电流损坏,同时也避免因开关电源故障而损坏其他电路。

    尖峰脉冲吸收保护电路由开关管漏极外接的D901、R903、C906组成。在开关管Q901截止瞬间,开关变压器T901一次绕组上产生的浪涌尖锋脉冲电压,通过D901、R903、C906泄放,防止尖锋脉冲电压将开关管Q901击穿。

    2.过电流保护电路
    过电流保护电路由取样电路R914、R910、C909及 IC901的6脚内部电路构成,对开关管Q901的漏极电流进行检测。

    IC901的6脚内部设有过流检测保护电路。IC901的8脚外接的大功率开关管漏极电流通过源极电阻R914到地形成回路,在R914上形成与漏极电流成正比的电压降,通过R910送到IC901的6脚内部。正常工作时开关管Q901的漏极电流在R914上形成的电压降很低,反馈到IC901的6脚的电压接近0V。当由于某种原因导致开关管Q901漏极电流增大时,则R914上的压降增大,送到IC901的6脚的电压升高,当升高至保护启动设定值时,内部过电流保护电路启动,IC901将关闭8脚输出的PWM驱动脉冲,开关电源停止工作,达到过电流保护的目的。

    3.市电过电压保护电路
    过电压保护电路由取样电路R904、R905、R938和IC901的6脚内部电路组成,对市电整流滤波后输出的约300V电压进行检测。

当由于某种原因使市电电压大幅度升高时,整流滤波后输出的300V电压也随之升高,经R904、R905、R938加到IC901的6脚电压随之升高,当IC901的6脚的电压高于保护启动设置电压时,IC901将关闭8脚输出的PWM驱动脉冲,开关电源停止工作,达到过电压保护的目的。

    4.输出过电压保护电路
    输出过电压保护电路由Q903为核心构成,对稳压控制环路的光耦合器IC902的2脚电压进行控制。

    Q903的基极外接两路过电压检测电路:一是由15V稳压管ZD902、二极管D906组成的12V过电压检测电路;二是由6.2V稳压管ZD903、二极管D913组成的+5V过电压检测电路。输出电压正常时,均低于检测电路稳压管的稳压值,检测电路截止,Q903的基极为低电平而截止,对稳压控制电路不产生影响;当12V电压超过15V时将ZD902击穿,通过D906向Q903提供高电平;当+5V电压超过6. 2V时将ZD903击穿,通过D913向Q903提供高电平。Q903饱和导通,将稳压控制电路的IC902的2脚电压拉低,IC902电流增大,将IC901的2脚电压拉低,IC901内部稳压电路动作,降低开关电源输出电压,严重时停止输出激励脉冲,达到保护的目的。

    二、电源电路故障维修
    冠捷715TI811一电源+高压二合一板发生故障,主要引发开机三无、指示灯不亮的故障。可通过测量熔丝是否熔断、测量关键点的电压的方法进行维修。

    (一)无电压输出
    1.熔丝烧断

    测量熔丝F901是否熔断,如果已经熔断,说明开关电源存在严重的短路故障,主要对以下电路进行检测。
    1)检测AC 220V市电输入电路的C901、C902、C903和整流滤波电路的BD901、C905是否击穿漏电。
    2)检查电源开关管Q901是否击穿,如果击穿,进一步检查IC901的2脚外部的稳压控制电路的IC902, IC903;检查Q901漏极外接的尖峰脉冲吸收保护电路D901、R903、C906是否开路失效;检查Q901的源极电阻R914是否连带损坏等。避免更换Q901后再次损坏。
    2.熔丝未断
    如果测量熔丝F901未断,说明开关电源不存在严重的短路故障,主要是开关电源电路未工作,主要对以下电路进行检测。
    1)测量电源有无电压输出。如果有12V和+5V电压输出,查电源板与主电路板之间的连接器连线和主板负载电路。
    2)如果测量电源有12V电压输出,但无+5V电压输出,则检查+5V电压形成电路。首先测量IC905的1脚有无激励脉冲输出,如果无激励脉冲输出,则故障在驱动控制电路IC905,否则故障在Q904、Q905、Q906激励输出电路。
    3)如果测量开关电源无12V电压输出,则故障在主开关电源。首先测量Q901的漏极有无300V电压,如果无300V电压,排除市电输入和整流滤波电路开路故障,常见为NR901烧断或接触不良。
    4)测量IC901的3脚有无启动电压,如果无启动电压,检查3脚外部的R906、R907、R908;如果有启动电压,检查LD7552的7脚有无VDD工作电压,如果无VDD工作电压,检查7脚外部的R908, D902, C907, D904, C922, C908二次供电电路。
    5)测量IC901的8脚有无激励脉冲输出。如果无激励脉冲输出,则是IC901驱动控制电路故障,测量IC901的外部元器件,检测更换IC901; 8脚有激励脉冲输出,则检查8脚外部的Q901及其外部电路。
    6)检查7901的二次整流滤波电路是否发生开路故障,造成无12V输出;检查整流滤波电路D910、D911和C914、C915、C920及电感L903、C917、C916组成的π形滤波器滤波电路是否发生短路漏电故障,造成开关电源过电流保护电路启动。

    (二)保护电路维修
    冠捷715 T1811一电源+高压二合一板设有完善的保护电路,当开关电源发生过电压、过电流故障时,多会引起保护电路启动,进入保护状态,开关电源停止工作,看不到真实的故障现象,给维修造成困难。维修时,可采取测量关键点的电压,判断是否保护和解除保护,观察故障现象的方法进行维修。

    1.根据故障现象。判断是否保护
    如果开机的瞬间开关电源启动,并在开关电源变压器的二次侧有电压输出,几秒后开关电源停止工作,输出电压降到0V,多为保护电路启动所致。
    对于过电压保护电路启动,重点检查主开关电源的稳压环路和过电压保护检测电路元器件是否发生参数改变故障。对于过电流保护电路,重点检查负载电路和T901的二次整流滤波电路是否发生短路漏电故障。

    2.测且关键点电压,判断是哪路保护
    在开机的瞬间,测量保护电路中Q903的基极电压,该电压正常时为低电平0V。如果开机或发生故障时,Q903的基极电压变为高电平0. 7 V以上,则是以Q903为核心的过电压保护电路启动。

    由于Q903的基极外接两路过电压保护检测电路,为了确定是哪路检测电路引起的保护,可通过测量D906、D913的正极电压确定。哪个二极管的正极在自动关机前的瞬间有高电平,则是该检测电路引起的保护。

    3.解除保护,观察故障现象
    确定主开关电源次级过电压保护之后,也可采取解除保护的方法,开机测量开关电源输出电压,观察故障现象,确定故障部位。为了防止开关电源输出电压过高,引起负载电路损坏,建议先断开主电路板,接假负载测量开关电源输出电压。

    如果断开主电路板后,开机不再保护,则是负载电路发生短路故障引起的过电流保护,否则是电源板保护电路启动。

    全部解除保护:将Q903的基极对地短路,也可将Q903拆除,解除保护,开机观察故障现象。

    逐路解除保护:对于过电压保护电路,逐个断开取样电路D906、D913。每解除一路保护检测电路的隔离二极管,进行一次并机实验,如果断开哪路保护检测电路的隔离二极管后,开机不再保护,则是该电压过高引起的保护。

    例2-4:开机三无,指示灯不亮。
    分析与检修:检测开关电源无12V和+5V输出,检查熔丝F901未断,测量Q901的漏极无300V电压,检查AC 220V市电整流滤波电路,发现防浪涌电阻NR901烧断,说明开关电源存在严重的短路故障。断开T901的1脚后,测量C905两端阻值正常,再测Q901的漏极对地电阻为0,判断是Q901发生短路击穿故障。检测Q901的外围电路,发现R914连带烧焦,其漏极的尖峰脉冲吸收电容C906裂纹变色,拆下、C906测量,发现已经无容量。全部更换Q901、R914、C906后,开机故障排除。

    例2-5:开机三无,指示灯亮后熄灭。
    分析与检修:通电先测电源输出电压,开机的瞬间有电压输出,几秒后输出电压降到0V,判断保护电路启动。

    采取解除保护的方法维修,拔掉与主电路板的连接器,在主电源12V输出端接一个摩托车的12V灯泡作假负载,开机再次发生自动关机故障。自动关机时测量Q903的基极电压为高电平,判断过电压保护电路启动。

    将保护电路Q903的基极对地短路,解除保护,开机测量主开关电源输出电压,发现12V电压高达16V,说明主开关电源确实存在过电压故障。对主开关电源稳压环路进行检查,在光耦合器IC902的3、4脚并联1 kΩ电阻后,开机测量主电源输出电压降低,说明故障在IC902和Q903稳压控制电路。对相关元器件进行检测,发现光耦合器IC902内部开路失效。更换IC902后,测量主开关电源输出电压恢复正常。恢复保护电路和与主电路板的连接器后,故障彻底排除。

    例2-6:开机三无,指示灯不亮。
    分析与检修:测主电源无12V、+5V输出。测量AC 220V整流滤波后输出的300V电压正常,测量Q901的漏极电压为300V,测量主电源中IC901的工作情况:3脚无启动电压,检查3脚外部的启动电路,发现R906阻值变大,换新电阻后开机,主电源各路电压均正常,故障排除。

    特别注意事项:12V输出部分用假负载0.5A(显示电流为1A)正常即可,如果用1A电压会自动重启导致电压闪烁是正常现象。


Pre: 牛奶(如何补钙):分为巴氏杀菌冷藏保存2-8天和高温杀菌常温保存达180天

Next: 立思辰 短焦投影教学系统安装

128
Table of content